Relé trifásico de supervisión/protección para control de sobretensión, subtensión, secuencia de asimetría
Relé de protección de fase TENSE - asimetría ajustable 5-50
El relé de protección de fase de TENSE (Turquía) está diseñado para proteger motores eléctricos trifásicos y otros equipos trifásicos de fallos en la red de suministro eléctrico. El dispositivo comprueba la secuencia de fases correcta, la asimetría de fases, la subtensión y la sobretensión, y garantiza la desconexión segura de la carga cuando se superan los límites establecidos.
La amplia gama de ajustes hace que el relé sea adecuado para la mayoría de las aplicaciones industriales y comerciales, especialmente cuando se requiere una protección precisa y estable del motor.
Características principales
-
Control de secuencia de fases: protección contra cableado incorrecto.
-
Asimetría ajustable: 5% - 50%.
-
Subtensión ajustable: 260-360 V CA.
-
Sobretensión ajustable: 400-480 V CA.
-
Tiempo de retardo de error ajustable (Err In): 1-30 s.
-
Tiempo de recuperación ajustable (Err OUT): 1-30 s.
-
Indicación clara en pantalla de 3×3 segmentos.
-
Alta precisión y rápida respuesta a los fallos de la red.
-
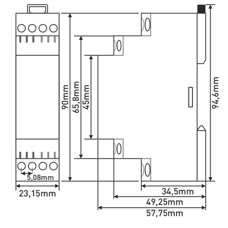
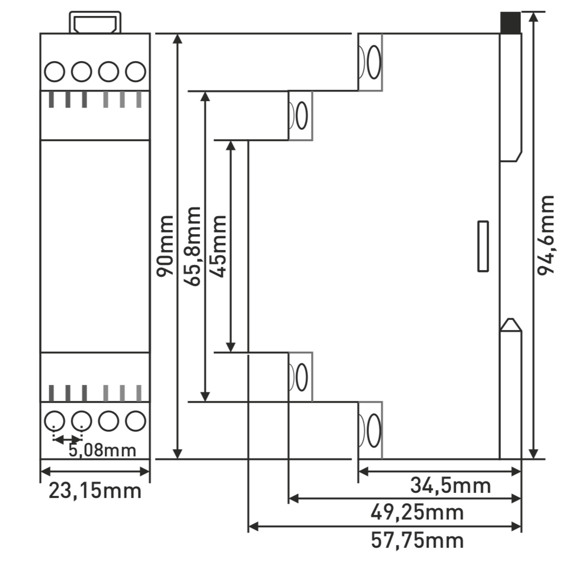
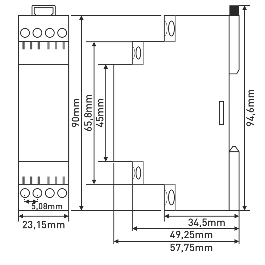
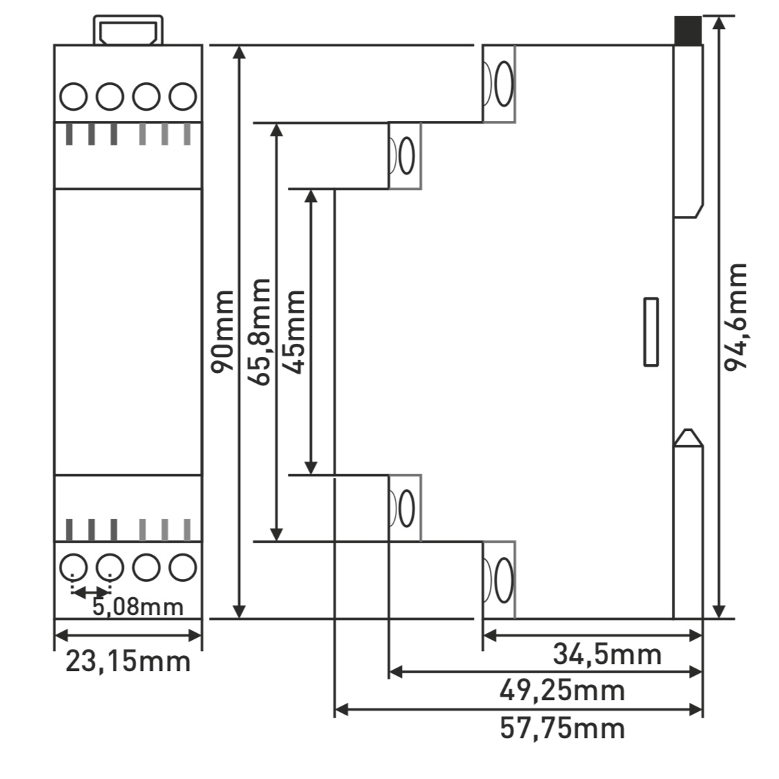
Montaje en carril DIN estándar.
Principios de funcionamiento
Funcionamiento normal
Cuando todas las tensiones de fase están dentro de los límites y la secuencia de fases es correcta:
-
el relé se dispara,
-
El LED OUT se enciende.
Error de alta tensión (H)
-
Si la fase supera el límite ajustado → Err In time está pendiente, se visualiza H.
-
El relé se desconecta, OUT se apaga.
-
Cuando 5 V caen por debajo del valor ajustado, Err OUT empieza a funcionar, el relé se enciende de nuevo.
Error de baja tensión (L)
-
Caída por debajo del límite ajustado → Err En espera, se visualiza L.
-
El relé se desconecta.
-
Cuando la tensión sube 5 V por encima del umbral → Err OUT en espera, el relé se activa.
Asimetría de fases (Asy)
-
Si la diferencia de tensión entre fases supera el umbral fijado (5-50%):
-
ASy se visualiza después del tiempo Err In, el relé se desactiva.
-
-
Cuando la asimetría se reduce por debajo de (umbral fijado - 2%) → tiempo de espera Err OUT, el relé se activa.
Error de secuencia de fases (pHs)
-
Cuando se produce un error de secuencia de fases, el relé espera a Err In y, a continuación, muestra pHs.
-
El relé se apaga y permanece apagado hasta que se restablece la secuencia correcta.
-
Una vez corregida la secuencia de fases, se produce Err OUT y el relé se enciende.
Parámetros técnicos
| Parámetro | Valor |
|---|---|
| Tensión de funcionamiento (Un) | 3×380 V CA + N |
| Frecuencia | 50/60 Hz |
| Potencia de entrada | < 6 VA |
| Temperatura ambiente | -20 °C a +55 °C |
| Umbral de alta tensión | 400-480 V CA |
| Umbral de baja tensión | 260-360 V CA |
| Asimetría | 5-50% (ajustable) |
| Tiempo de error (Err In) | 1-30 s |
| Tiempo de rearme (Err OUT) | 1-30 s |
| Contacto de relé | 5 A / 250 V CA (carga resistiva) |
| Pantalla | 3×3 segmentos, 1 LED |
| Montaje | Carril DIN |
| Peso | < 150 g |
| Altura máxima de instalación | < 2000 m |
| Sección de cable | hasta 2,5 mm² |
Pago en línea con tarjeta - después de completar el pedido, será redirigido a la pasarela de pago, la confirmación del pago le llegará por correo electrónico
Contra reembolso - el pago según el reglamento de pago se realiza al conductor de la empresa de transporte
Transferencia - en su correo electrónico recibirá a más tardar el siguiente día hábil una factura proforma, en la que encontrará el número de cuenta que debe ingresar al realizar el pago.
Factura - esta opción de pago la tienen los socios que han firmado un contrato marco con nuestra empresa.
Si desea utilizar las últimas 2 opciones, llame a nuestro gerente y él le dará instrucciones sobre cómo recibir la factura con IVA o sin IVA.
Los dispositivos eléctricos que suministramos cumplen con altos estándares de calidad, tienen una garantía de 24 meses y cumplen con todos los requisitos de la UE.
En caso de reclamación, no se cobrará ninguna tarifa por la devolución del producto.
