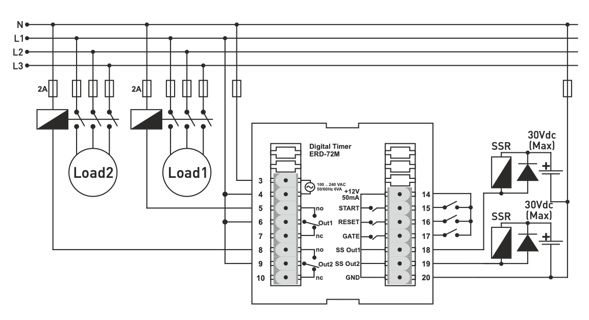
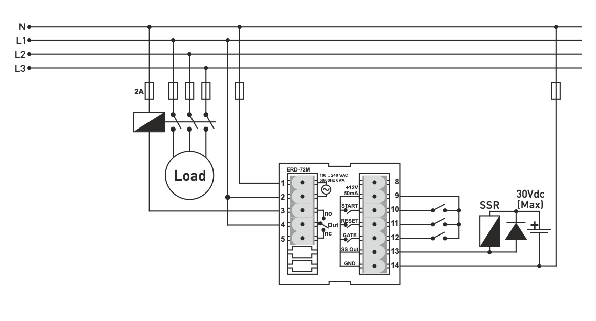
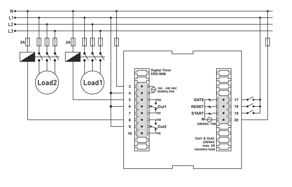
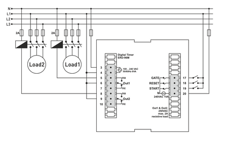
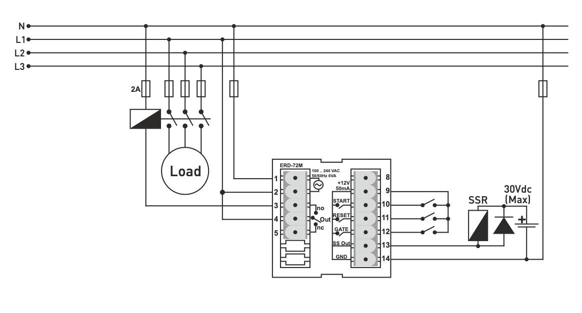
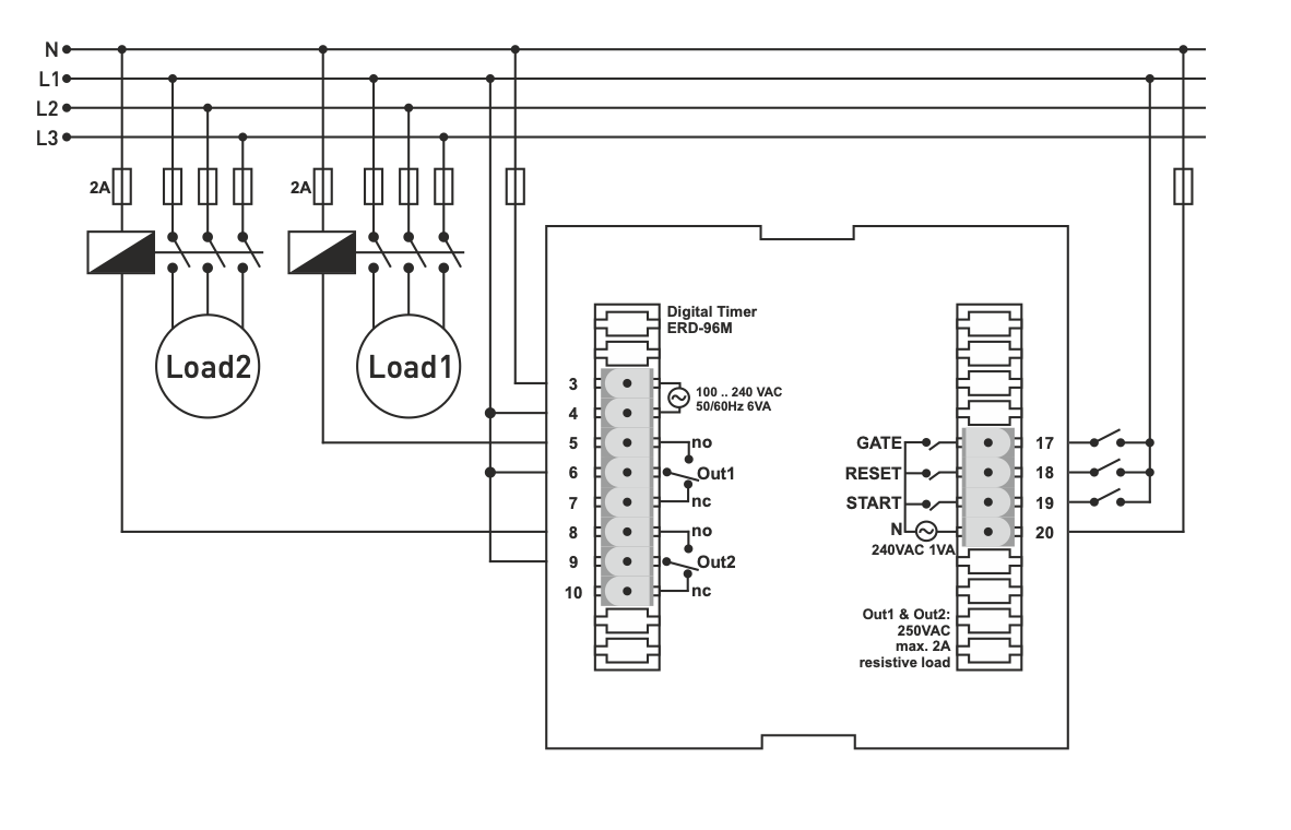
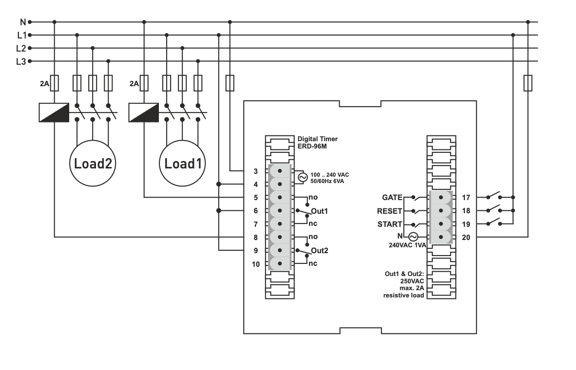
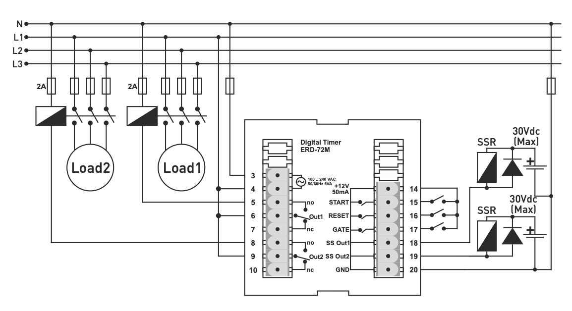
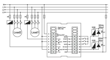
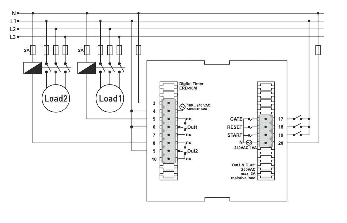
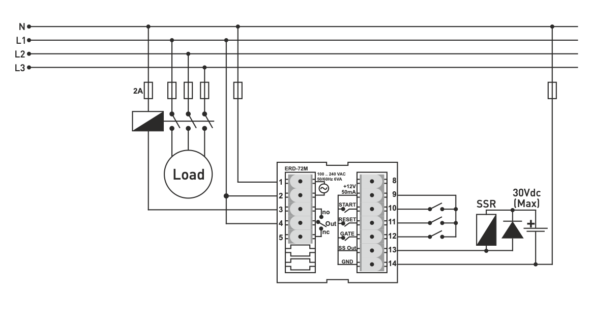
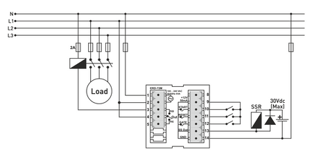
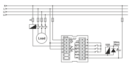
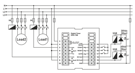
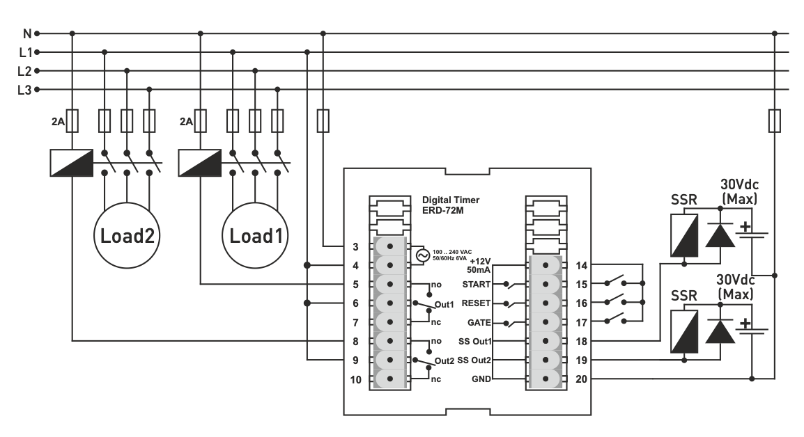
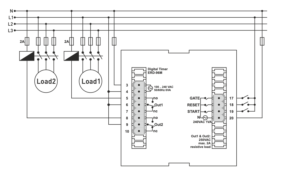
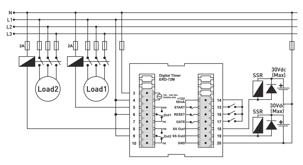
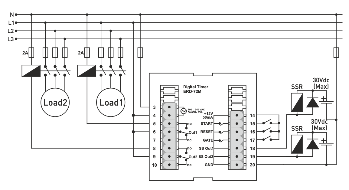
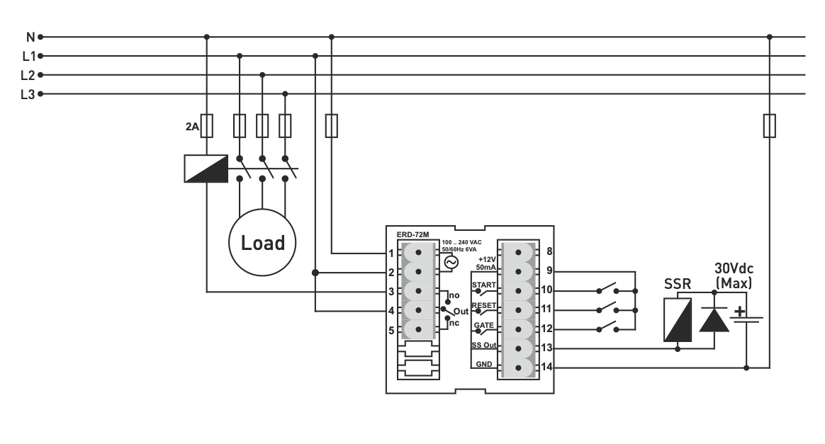
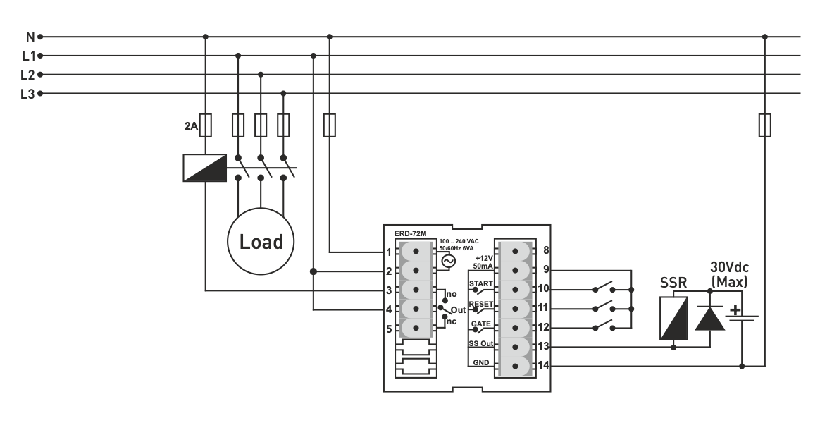
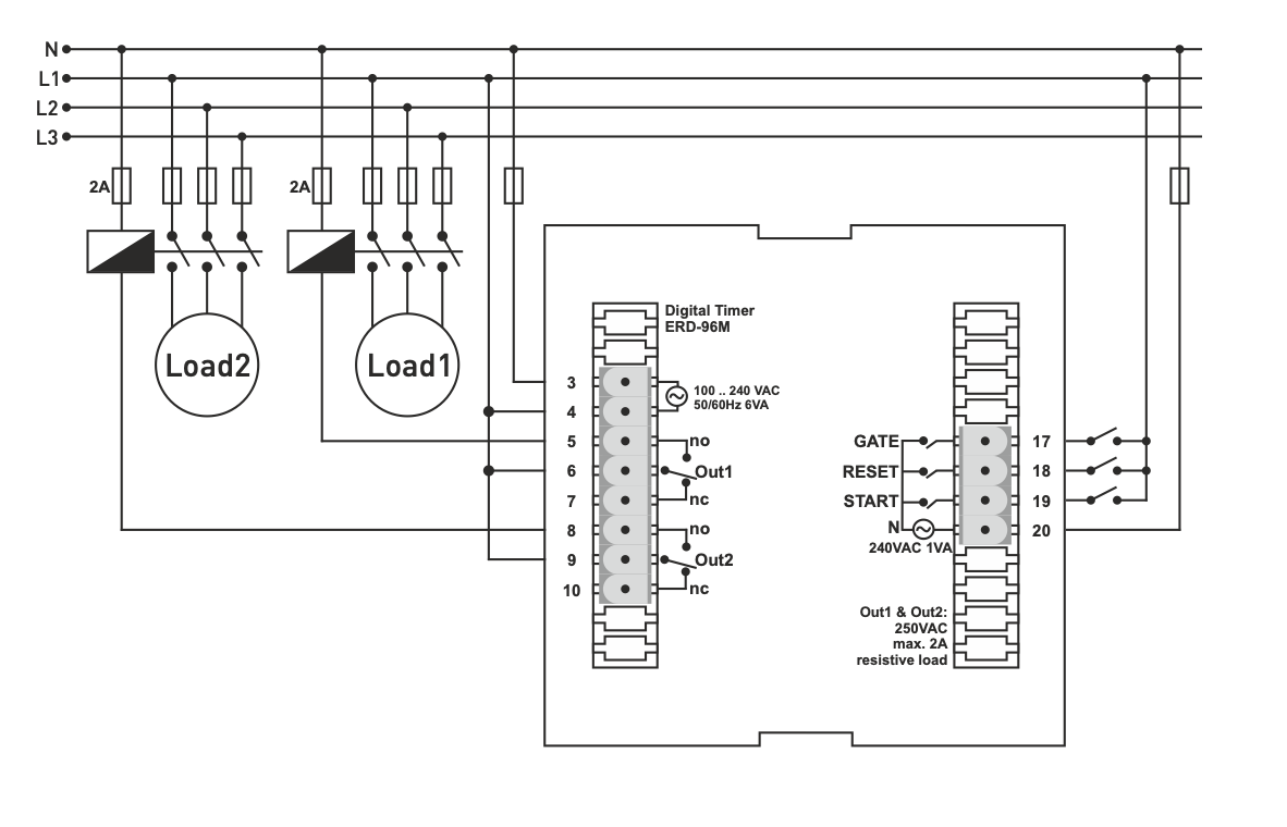
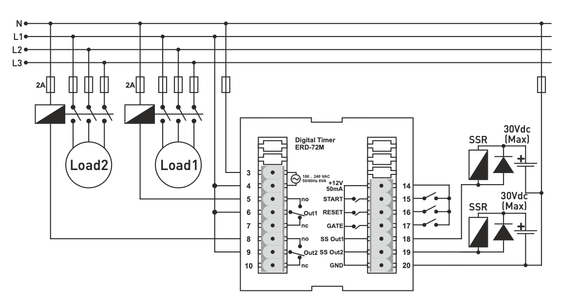
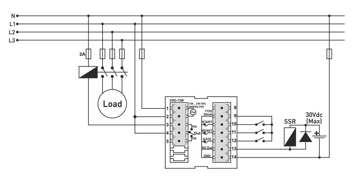
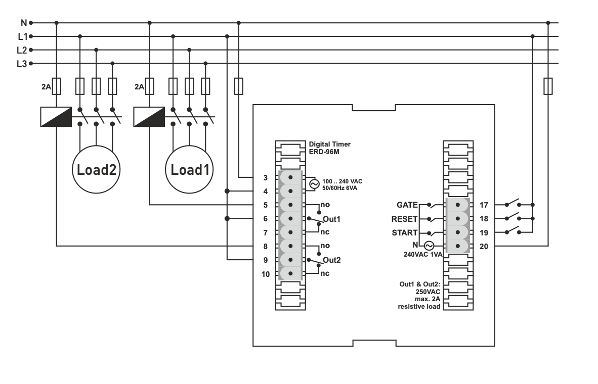
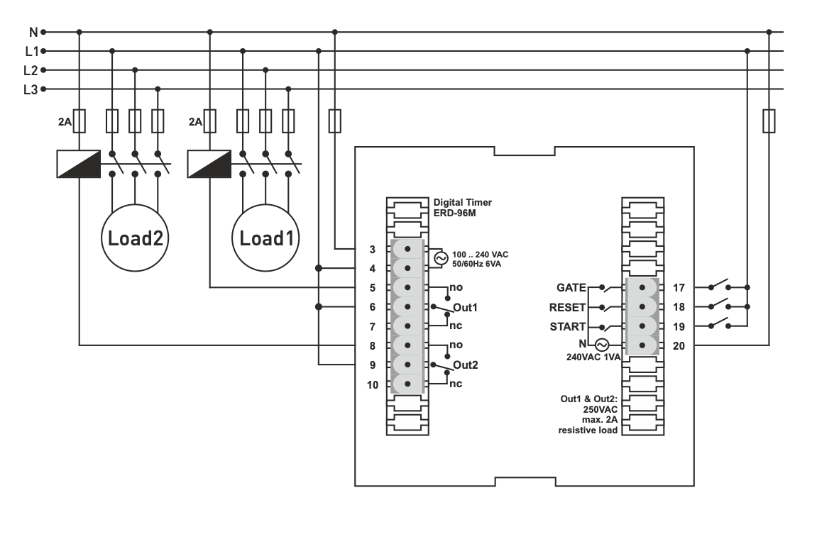
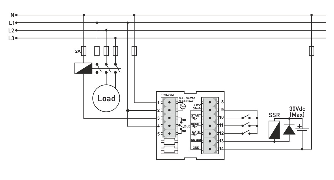
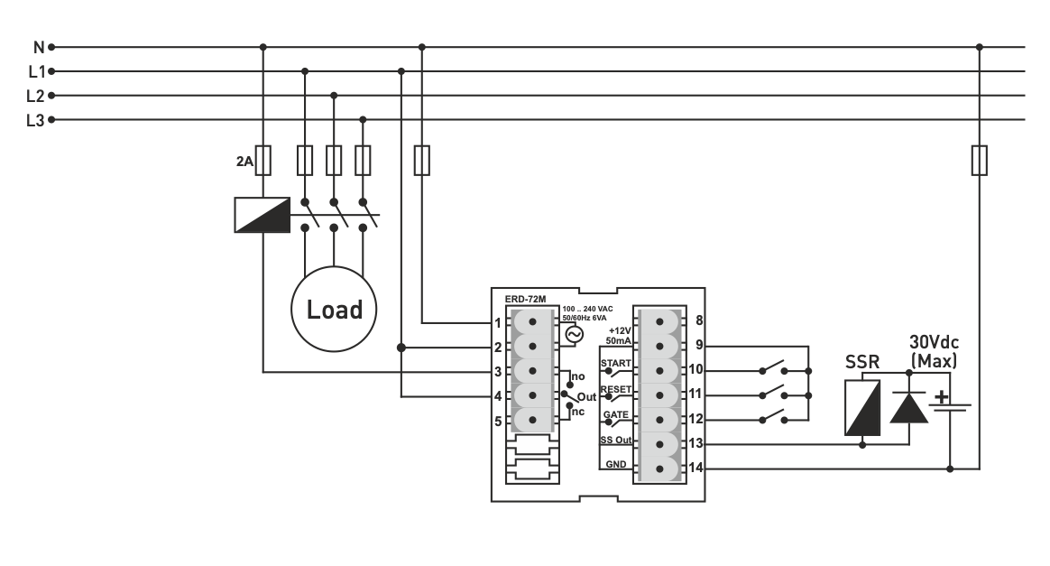
Relé temporizador multifunción 2x4 LED para montaje en panel/puerta
Relé temporizador multifunción 2x4 LED para montaje en panel/puerta. TENSO ERD-96M, ERD-48M, ERD-72M
Relé temporizador con ocho funciones :
Modo 0: Retardo por impulsos, OFF con RESET
Modo 1: Intermitente con START/RESET
Modo 2: Un disparo tras ON y OFF
Modo 3: Retardo OFF
Modo 4: Seguimiento y retardo ON
Modo 5: Un disparo retardado después de OFF
Modo 6: Cronómetro - Cuenta con START
Modo 7: Cronómetro - Cuenta con START, Reinicio con RESET
Rango de ajuste de tiempo:
99:59 horas / 99:59 minutos / 599,9 segundos
Pago en línea con tarjeta - después de completar el pedido, será redirigido a la pasarela de pago, la confirmación del pago le llegará por correo electrónico
Contra reembolso - el pago según el reglamento de pago se realiza al conductor de la empresa de transporte
Transferencia - en su correo electrónico recibirá a más tardar el siguiente día hábil una factura proforma, en la que encontrará el número de cuenta que debe ingresar al realizar el pago.
Factura - esta opción de pago la tienen los socios que han firmado un contrato marco con nuestra empresa.
Si desea utilizar las últimas 2 opciones, llame a nuestro gerente y él le dará instrucciones sobre cómo recibir la factura con IVA o sin IVA.
Los dispositivos eléctricos que suministramos cumplen con altos estándares de calidad, tienen una garantía de 24 meses y cumplen con todos los requisitos de la UE.
En caso de reclamación, no se cobrará ninguna tarifa por la devolución del producto.
