RGT-MT18 - Controlador de potencia reactiva de 18 niveles +TCR con RS485 ModBus
Controlador de potencia reactiva RGT-MT18 - 18 etapas + SVC, pantalla táctil, RS485 MODBUS RTU
El nuevo desarrollo TENSE implementa todos los últimos requisitos de los modernos sistemas de compensación de potencia reactiva instalados en instalaciones industriales y civiles: fábricas, talleres, granjas, hoteles, gasolineras, centros comerciales, escuelas, hospitales, bancos.
Acerca del equipo
El RGT-MT18 es un controlador de corrección del factor de potencia trifásico de 18 pasos, con pantalla táctil y compatible con SVC (TCR).
-
Se utiliza para la compensación de potencia reactiva (inductiva y capacitiva).
-
Si la potencia reactiva inductiva procede de la red, el controlador conecta condensadores.
-
Si la potencia reactiva capacitiva procede de la red, el regulador conecta un inductor en derivación.
-
El objetivo es reducir la relación entre energía inductiva y capacitiva, y entre energía activa y reactiva en el sistema.
-
Permite una compensación escalonada eficaz para sistemas desequilibrados.
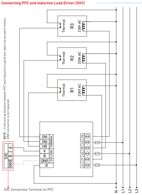
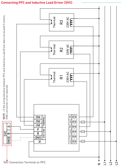
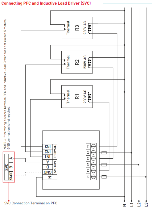
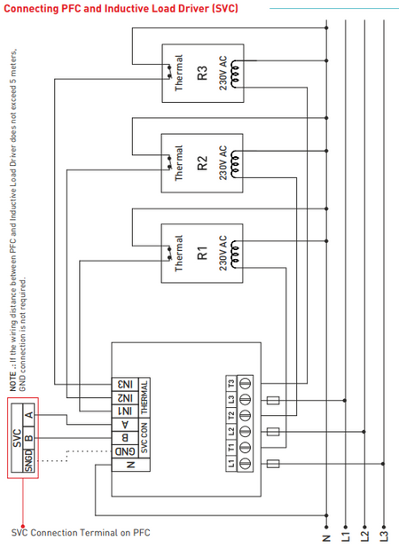
¿Qué es un SVC (TCR)?
SVC - Static VAR Compensation es un sistema de compensación de potencia reactiva estática que utiliza reactores controlados por tiristores para compensar suave y rápidamente la potencia capacitiva del sistema.
Principales ventajas y características
-
18 salidas de relé + SVC (TCR)
-
Pantalla táctil de 5 pulgadas: fácil instalación y control total del sistema
-
Salida de alarma: tensión, corriente/tensión armónica, potencia inductiva y capacitiva
-
Entrada de generador y compensación de generador
-
Comunicación remota RS485 (MODBUS RTU)
-
Ajuste manual del valor de paso
-
Conexión de condensadores monofásicos, bifásicos y trifásicos y reactancias en derivación
-
Monitorización de armónicos de tensión y corriente hasta el 61º armónico
-
Salida de alarma de temperatura
-
Visualización gráfica: factor de potencia, cosφ de cada fase
-
Visualización gráfica: relación energía capacitiva/activa e inductiva/activa
-
Supervisión de la energía total (importación/exportación)
-
Monitorización THD-V y THD-I de cada fase
-
Generación de análisis de potencia (20 muestras, 9999 min.)
-
Registro de consumo de potencia (activa, reactiva, aparente y actual)
-
Supervisión de los valores mínimo, máximo y medio de corriente y tensión de cada fase
-
Tiempo real (RTC)
-
Menú protegido por contraseña
Especificaciones técnicas
-
Tensión de alimentación: 100-300 VCA
-
Frecuencia: 50/60 Hz
-
Consumo: < 12 VA
-
Temperatura de funcionamiento: de -20 °C a +55 °C
-
Rango de medición de tensión: 5-280 V CA
-
Rango de medición de corriente: 5 mA - 5,5 A (sin transformador de corriente)
-
TTI conectable: 5/5 A ... 10000/5 A
-
Número de armónicos: 2-61
-
Reloj en tiempo real: > 5 años
-
Precisión de medición: ±1
-
Visualización: pantalla táctil en color de 5 pulgadas
-
Tipo de conexión: bloque de terminales
-
Contactos de la etapa de salida: 3 A/250 VCA
-
Número de etapas: 18 + SVC
-
Interfaz: RS485 MODBUS RTU
-
Diámetro del cable: 2,5 mm².
-
Peso: máx. 900 g
-
Montaje: empotrado en panel
-
Altitud de trabajo: < 2000 m
-
Grado de protección: IP41 (panel frontal), IP20 (carcasa)
-
Dimensiones del panel: 140 × 140 mm
Pago en línea con tarjeta - después de completar el pedido, será redirigido a la pasarela de pago, la confirmación del pago le llegará por correo electrónico
Contra reembolso - el pago según el reglamento de pago se realiza al conductor de la empresa de transporte
Transferencia - en su correo electrónico recibirá a más tardar el siguiente día hábil una factura proforma, en la que encontrará el número de cuenta que debe ingresar al realizar el pago.
Factura - esta opción de pago la tienen los socios que han firmado un contrato marco con nuestra empresa.
Si desea utilizar las últimas 2 opciones, llame a nuestro gerente y él le dará instrucciones sobre cómo recibir la factura con IVA o sin IVA.
Los dispositivos eléctricos que suministramos cumplen con altos estándares de calidad, tienen una garantía de 24 meses y cumplen con todos los requisitos de la UE.
En caso de reclamación, no se cobrará ninguna tarifa por la devolución del producto.
