RGT-12SVC - Controlador de potencia reactiva de 12 niveles +TCR con RS485 ModBus RTU
Controlador de potencia reactiva RGT-12 SVC - 12 escalones + SVC, LCD, RS485 MODBUS RTUdimensiones 147 × 147 mmfabricante TENSE (Turquía)
Descripción del dispositivo
El RGT-12 SVC es un controlador trifásico de compensación de potencia reactiva de 12 pasos con pantalla gráfica LCD, compatible con SVC (Static VAR Compensation).
-
Se utiliza para compensar tanto la potencia reactiva inductiva como la capacitiva.
-
Si la potencia reactiva inductiva procede de la red → el controlador conecta condensadores.
-
Si la potencia reactiva capacitiva procede de la red → el controlador conecta un inductor en derivación.
-
Reduce eficazmente la relación entre energía inductiva y capacitiva y optimiza el factor de potencia.
-
Permite una compensación escalonada eficiente para sistemas desequilibrados.
Qué es el SVC (TCR)?
El SVC es un sistema de compensación de potencia reactiva estática con reactores controlados por tiristores que permite una compensación suave y rápida de la potencia capacitiva en el sistema.
Características principales
-
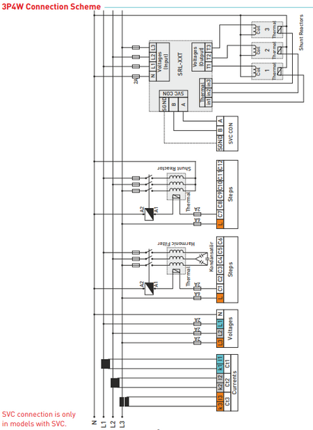
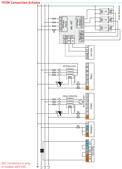
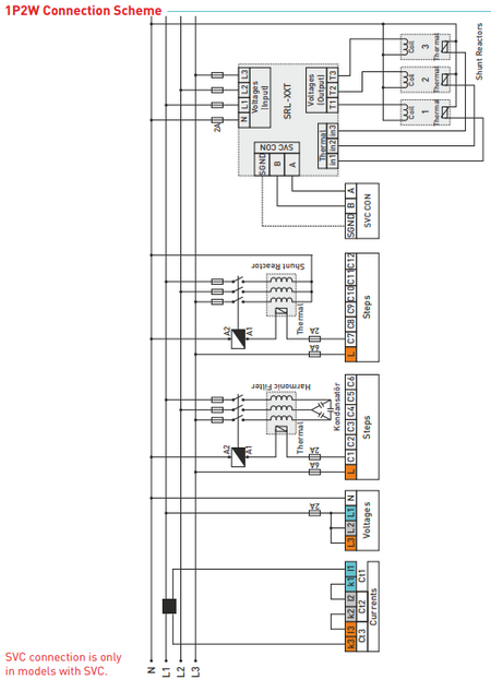
12 salidas de relé + salida SVC (TCR)
-
Puede utilizarse con uno o tres transformadores de corriente
-
Pantalla LCD de 2,9" + 17 indicadores LED para facilitar la configuración y el control
-
RS485 MODBUS RTU - control remoto, compatible con SCADA
-
Salida de relé programable independiente para alarmas (sobretensión, armónicos, cosφ)
-
Protección por contraseña para la configuración de parámetros
-
Indicación de las etapas de compensación conectadas
-
Ajuste automático y manual de los valores de los condensadores
-
Control del funcionamiento uniforme de las etapas individuales
-
Ajuste del tiempo de reacción a los cambios, tiempo de descarga y activación de las etapas
-
Compensación de componentes inductivos y capacitivos
-
Contadores de energía activa/reactiva incorporados (importación/exportación)
-
Visualización de hasta 31 armónicos de tensión y corriente
-
Medición de la distorsión armónica total (THD)
-
Analizador de energía reactiva incorporado con registro (20 registros de 9999 min.)
-
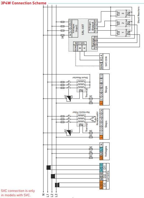
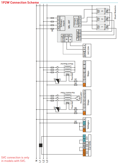
Conexión de condensadores monofásicos, bifásicos y trifásicos e inductancias en derivación
-
Capacidad de control con alimentación de generador
-
Máx. kvar por etapa: 100 kVA, máx. para controlador: 1200 kVA
Especificaciones técnicas
-
Tensión de funcionamiento: 100-300 VCA
-
Precisión de medición: corriente/tensión ±0,5%, potencia activa ±1%, potencia reactiva ±2
-
Rango del transformador de corriente: 5/5 ... 5000/5
-
Conexión: bloque de desconexión rápida
-
Grado de protección: IP41 (panel frontal), IP20 (parte trasera)
-
Dimensiones del recorte del panel: 140 × 140 mm
-
Montaje: fijación fiable en 4 puntos (2 de presión + 2 de tornillo)
Pantalla e indicación
-
Pantalla LCD gráfica de 2,9
-
17 LED para un control claro de los parámetros de funcionamiento
-
Indicación de las etapas conectadas
-
Visualización de la potencia total e individual, armónicos y factor de potencia
El controlador es adecuado para:
Instalaciones industriales y civiles: fábricas, talleres, granjas, hoteles, gasolineras, centros comerciales, escuelas, hospitales, bancos.
Pago en línea con tarjeta - después de completar el pedido, será redirigido a la pasarela de pago, la confirmación del pago le llegará por correo electrónico
Contra reembolso - el pago según el reglamento de pago se realiza al conductor de la empresa de transporte
Transferencia - en su correo electrónico recibirá a más tardar el siguiente día hábil una factura proforma, en la que encontrará el número de cuenta que debe ingresar al realizar el pago.
Factura - esta opción de pago la tienen los socios que han firmado un contrato marco con nuestra empresa.
Si desea utilizar las últimas 2 opciones, llame a nuestro gerente y él le dará instrucciones sobre cómo recibir la factura con IVA o sin IVA.
Los dispositivos eléctricos que suministramos cumplen con altos estándares de calidad, tienen una garantía de 24 meses y cumplen con todos los requisitos de la UE.
En caso de reclamación, no se cobrará ninguna tarifa por la devolución del producto.
