Relé trifásico de supervisión/protección para control de sobretensión y subtensión
GKM-11 - Relé monofásico de sobretensión y subtensión, TENSE
Descripción del producto
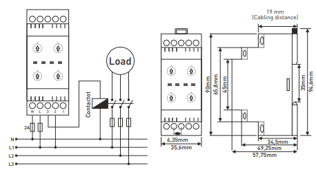
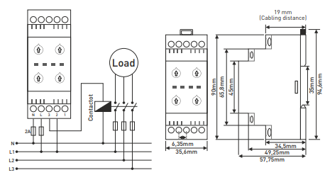
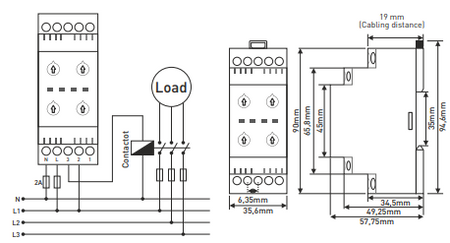
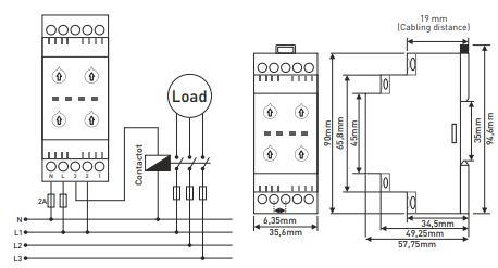
El relé GKM-11 se utiliza para proteger equipos sensibles contra sobretensiones y subtensiones en sistemas de distribución monofásicos. Cuando se supera el límite superior o inferior de tensión establecido, el relé abre el contacto de salida y desconecta la carga, evitando daños en el equipo.
Función y funcionamiento
-
Indicación de estado:
-
Estado normal - LED verde
-
Fallo de alta tensión - LED rojo "HV
-
Fallo de baja tensión - LED rojo "LV
-
-
Protección ajustable: límites superior e inferior de tensión, retardo de conmutación (DT) y tiempo de rearme (RT)
-
Contacto de relé: 5 A / 250 V CA (carga resistiva)
Datos técnicos
-
Tensión de funcionamiento: 220 V CA, 50/60 Hz
-
Rango de alta tensión: 230-300 V
-
Rango de baja tensión: 150-210 V
-
Tiempo de retardo y rearme: 0,5-20 s
-
Consumo eléctrico: <6 VA
-
Temperatura de funcionamiento: de -20 °C a +55 °C
-
Montaje: carril DIN
-
Peso: 0,1 kg
-
Sección máx. del cable: 2,5 mm².
-
Altitud máx. de instalación: 2000 m
Aplicación
-
Distribución y conmutación monofásicas
-
Equipos eléctricos sensibles, electrodomésticos, maquinaria industrial
Pago en línea con tarjeta - después de completar el pedido, será redirigido a la pasarela de pago, la confirmación del pago le llegará por correo electrónico
Contra reembolso - el pago según el reglamento de pago se realiza al conductor de la empresa de transporte
Transferencia - en su correo electrónico recibirá a más tardar el siguiente día hábil una factura proforma, en la que encontrará el número de cuenta que debe ingresar al realizar el pago.
Factura - esta opción de pago la tienen los socios que han firmado un contrato marco con nuestra empresa.
Si desea utilizar las últimas 2 opciones, llame a nuestro gerente y él le dará instrucciones sobre cómo recibir la factura con IVA o sin IVA.
Los dispositivos eléctricos que suministramos cumplen con altos estándares de calidad, tienen una garantía de 24 meses y cumplen con todos los requisitos de la UE.
En caso de reclamación, no se cobrará ninguna tarifa por la devolución del producto.
