Relé trifásico de supervisión/protección para control de sobretensión, subtensión, secuencia/fallo
Relé de control de tensión con temporizador de retorno al estado de funcionamiento, control de aumento y disminución de tensión, ajuste del valor mínimo y máximo de tensión, con control de secuencia de fases GKV-12F, TENSE
El algoritmo de funcionamiento del relé de control de tensión es el siguiente:
Cuando el relé está conectado a la tensión de alimentación y los valores de tensión corresponden a los valores ajustados, el relé se activa y el LED de relé () se enciende. Cuando los valores de tensión superan los valores ajustados, el LED de fallo correspondiente se enciende, espera un tiempo de retardo (DT), después del cual el relé se desactiva y el LED de relé se apaga. Cuando la tensión vuelve a los valores normales, el aparato espera un tiempo de rearme (RT), tras el cual se activa el relé y se enciende el LED de relé.
Ajustes necesarios y mensajes de error
-
HV: ajuste de alta tensión, cuando la tensión sube por encima de este valor, se enciende el LED HV.
-
BT: ajuste de baja tensión, cuando la tensión cae por debajo de este valor, se enciende el LED BT.
-
DT: tiempo de retardo, tiempo de espera antes de entrar en error.
-
RT: tiempo de rearme, tiempo de espera antes de que el relé responda cuando la tensión vuelve a la normalidad.
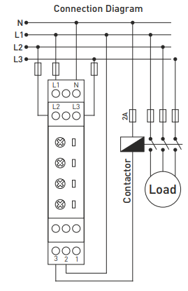
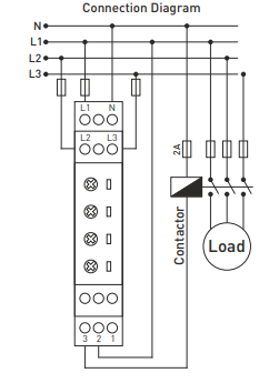
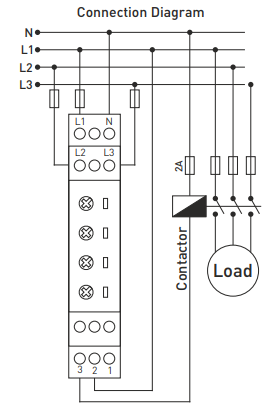
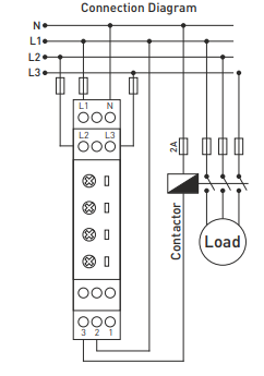
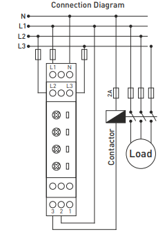
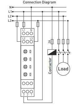
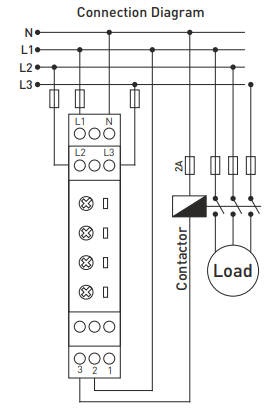
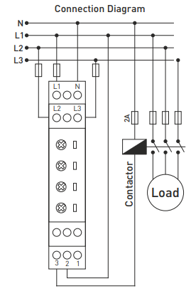
Reléactivado: contactos 2 y 3 cerrados, 1 y 2 abiertos.
Relé desactivado: contactos 2 y 1 cerrados, 3 y 2 abiertos.
Características técnicas
-
Tensión de funcionamiento: 3×380 VCA, 50/60 Hz
-
Tensión nominal de funcionamiento: 220 VCA, 50/60 Hz
-
Alta tensión: 230 V-300 V
-
Baja tensión: 140 V-210 V
-
Tiempo de retardo: 0,1 s - 20 s
-
Tiempo de rearme: 0,1 s - 20 s
-
Potencia de funcionamiento: < 6 VA
-
Temperatura de funcionamiento: de -20 °C a +55 °C
-
Pantalla: 4 LED
-
Peso: 0,210 kg
-
Contacto: 5 A / 250 VCA (carga resistiva)
-
Altitud de funcionamiento: < 2000 m
-
Diámetro del cable: 1,5 mm
Pago en línea con tarjeta - después de completar el pedido, será redirigido a la pasarela de pago, la confirmación del pago le llegará por correo electrónico
Contra reembolso - el pago según el reglamento de pago se realiza al conductor de la empresa de transporte
Transferencia - en su correo electrónico recibirá a más tardar el siguiente día hábil una factura proforma, en la que encontrará el número de cuenta que debe ingresar al realizar el pago.
Factura - esta opción de pago la tienen los socios que han firmado un contrato marco con nuestra empresa.
Si desea utilizar las últimas 2 opciones, llame a nuestro gerente y él le dará instrucciones sobre cómo recibir la factura con IVA o sin IVA.
Los dispositivos eléctricos que suministramos cumplen con altos estándares de calidad, tienen una garantía de 24 meses y cumplen con todos los requisitos de la UE.
En caso de reclamación, no se cobrará ninguna tarifa por la devolución del producto.
