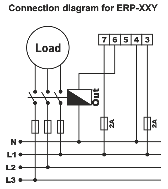
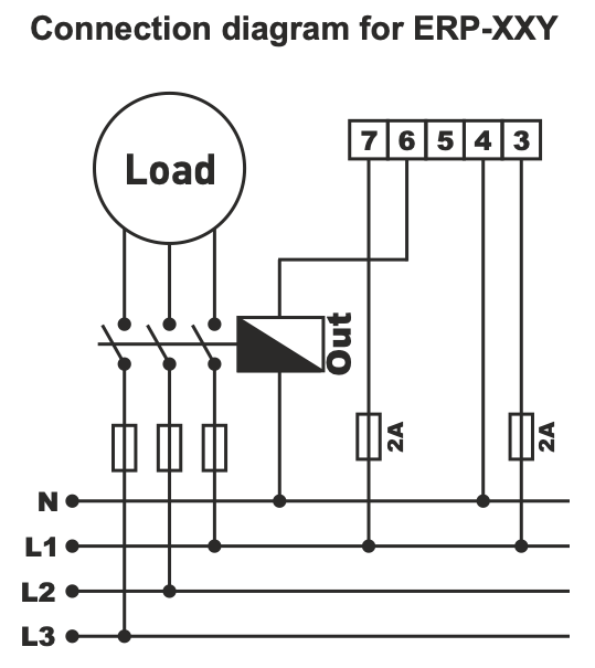
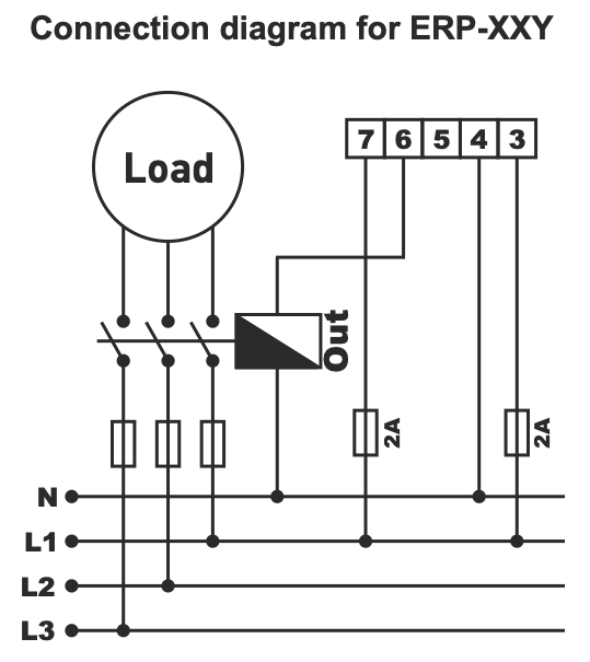
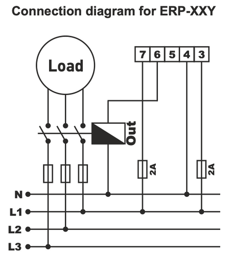
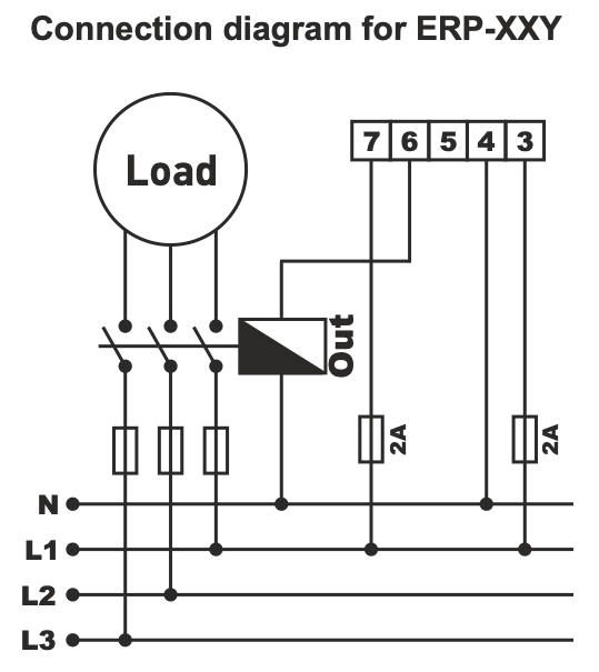
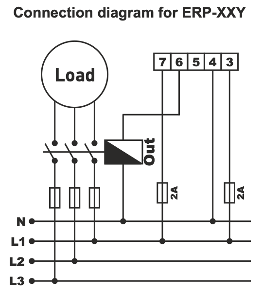
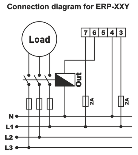
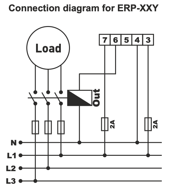
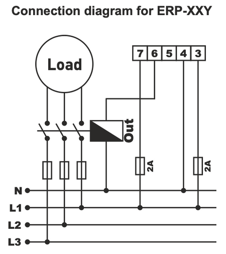
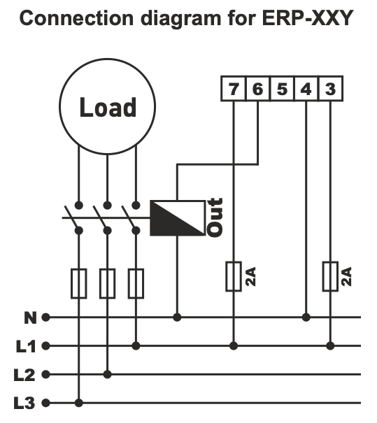
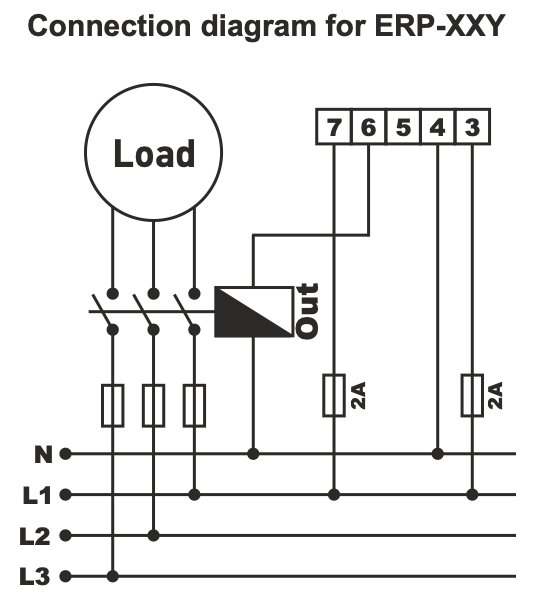
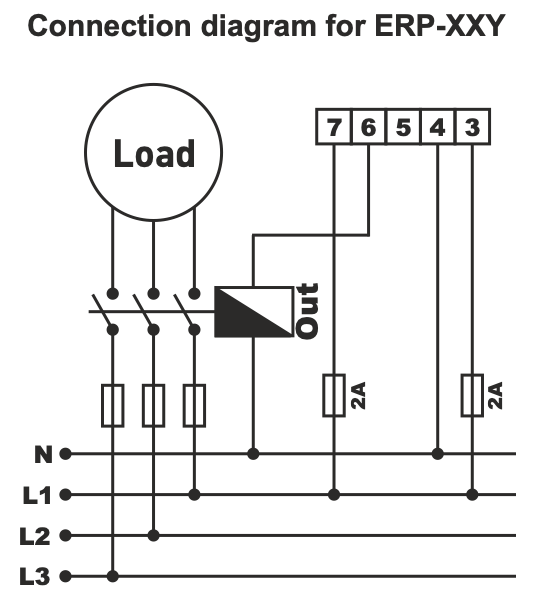
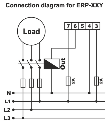
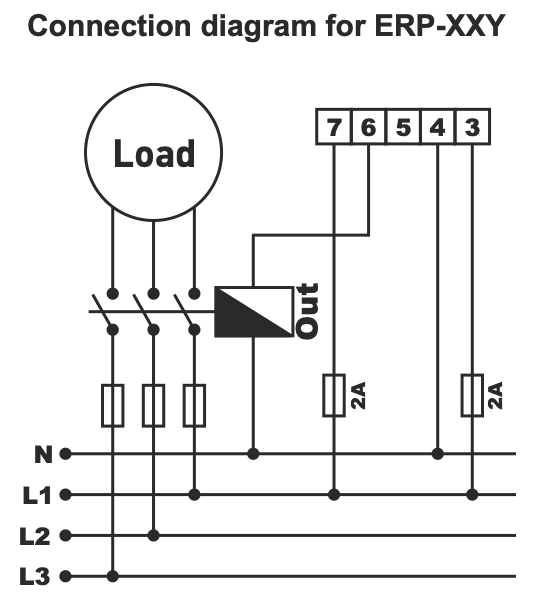
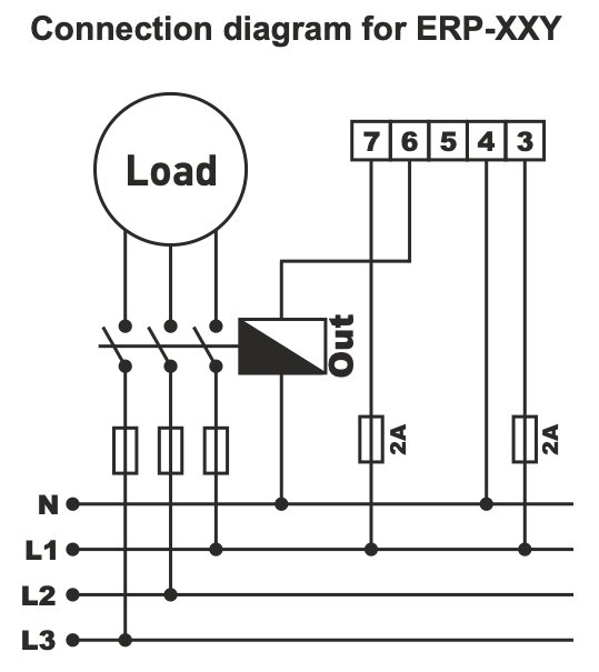
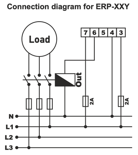
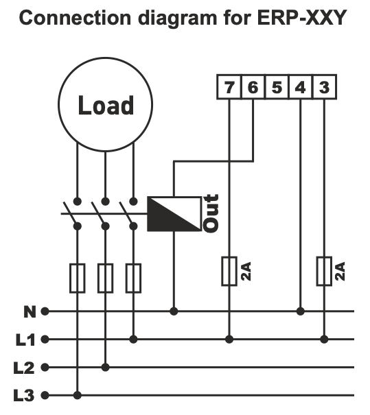
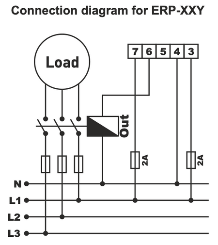
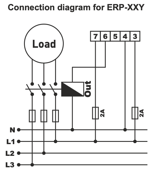
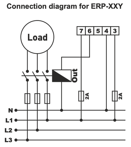
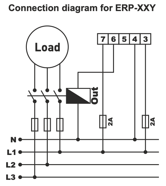
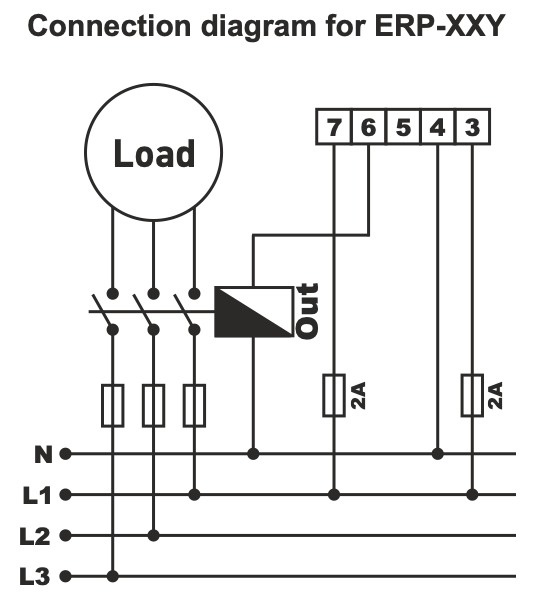
Temporizador ON-DELAY relé monofuncional incorporado 230 V/AC con 1 contacto de conmutación.
El relé temporizador se utiliza para conmutar cargas por etapas: calderas eléctricas, hornos, calefactores, etc. y evitar así picos de corriente en la red y disparos de disyuntores debidos a grandes sobretensiones.
También puede utilizarse para coordinar el tiempo de conexión de varios dispositivos en máquinas, aparatos u otros equipos.
Intervalo de tiempo:
ERP-03Y - 0-3 s
ERP-12Y - 0-12 s
ERP-30Y - 0-30 s
ERP-60Y - 0-60 s
ERP-03DY - 0-3 min.
ERP-12DY - 0-12 min.
ERP-30DY - 0-30 min.
ERP-60DY - 0-60 min.
Pago en línea con tarjeta - después de completar el pedido, será redirigido a la pasarela de pago, la confirmación del pago le llegará por correo electrónico
Contra reembolso - el pago según el reglamento de pago se realiza al conductor de la empresa de transporte
Transferencia - en su correo electrónico recibirá a más tardar el siguiente día hábil una factura proforma, en la que encontrará el número de cuenta que debe ingresar al realizar el pago.
Factura - esta opción de pago la tienen los socios que han firmado un contrato marco con nuestra empresa.
Si desea utilizar las últimas 2 opciones, llame a nuestro gerente y él le dará instrucciones sobre cómo recibir la factura con IVA o sin IVA.
Los dispositivos eléctricos que suministramos cumplen con altos estándares de calidad, tienen una garantía de 24 meses y cumplen con todos los requisitos de la UE.
En caso de reclamación, no se cobrará ninguna tarifa por la devolución del producto.
