Relé de sobreintensidad digital con pantalla LED de 3×3 dígitos TRM-100
|
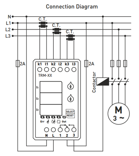
Relé de corriente trifásico para el control/limitación de la corriente de carga en el rango de 40-100 A, fabricante TENSE (Turquía) Los relés de sobreintensidad digitales TRM-100 están diseñados para proteger las cargas de los daños causados por corrientes elevadas, al tiempo que permiten controlar el funcionamiento. - 40-100 A (valor de sobreintensidad ajustable)
Utilización del aparato y principio de funcionamiento
Al conectar el aparato:
Descripción El relé electrónico de corriente de la serie TRM-100 está diseñado para desconectar automáticamente los aparatos cuando se supera la corriente máxima permitida.
Modos de rearme: - Modo manual: Después de un fallo de sobreintensidad, el aparato debe rearmarse pulsando el botón de rearme. En este modo, se enciende el LED correspondiente. Nota: Para cambiar de modo, mantenga pulsado el botón SELECT durante 10 segundos. Cuando se cambie de modo, se encenderá el indicador LED correspondiente. Asimetría 50% (fija) Si la diferencia entre la corriente de fase mayor y menor supera el 50%, el aparato entra en el modo de fallo por asimetría en 2 segundos. Durante un fallo de asimetría: Parámetros técnicos: - Tensión de funcionamiento: 150-260 VAC. Nota: Los modelos TRM-50, TRM-100, TRM-200 y TRM-300 sólo pueden utilizarse con los transformadores de corriente incluidos en el suministro.
Básico
|
Pago en línea con tarjeta - después de completar el pedido, será redirigido a la pasarela de pago, la confirmación del pago le llegará por correo electrónico
Contra reembolso - el pago según el reglamento de pago se realiza al conductor de la empresa de transporte
Transferencia - en su correo electrónico recibirá a más tardar el siguiente día hábil una factura proforma, en la que encontrará el número de cuenta que debe ingresar al realizar el pago.
Factura - esta opción de pago la tienen los socios que han firmado un contrato marco con nuestra empresa.
Si desea utilizar las últimas 2 opciones, llame a nuestro gerente y él le dará instrucciones sobre cómo recibir la factura con IVA o sin IVA.
Los dispositivos eléctricos que suministramos cumplen con altos estándares de calidad, tienen una garantía de 24 meses y cumplen con todos los requisitos de la UE.
En caso de reclamación, no se cobrará ninguna tarifa por la devolución del producto.
