Relé secuencial Hydrophore con temporizador para 2 bombas
Descripción del producto
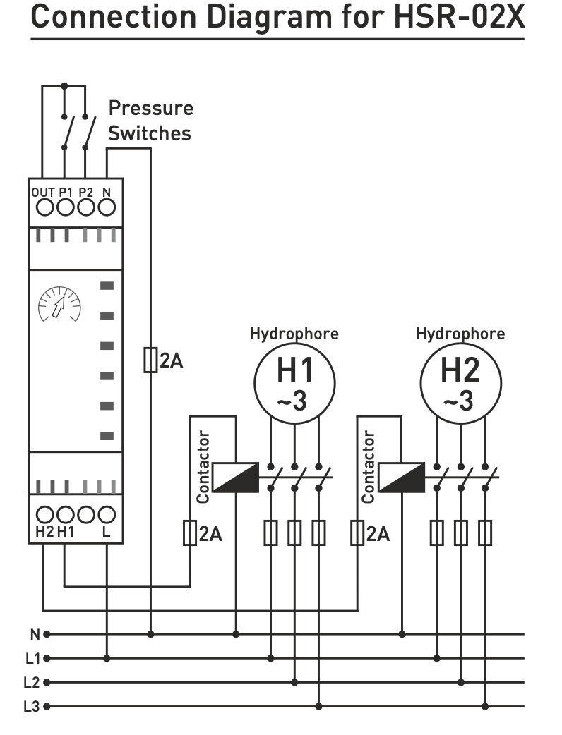
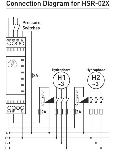
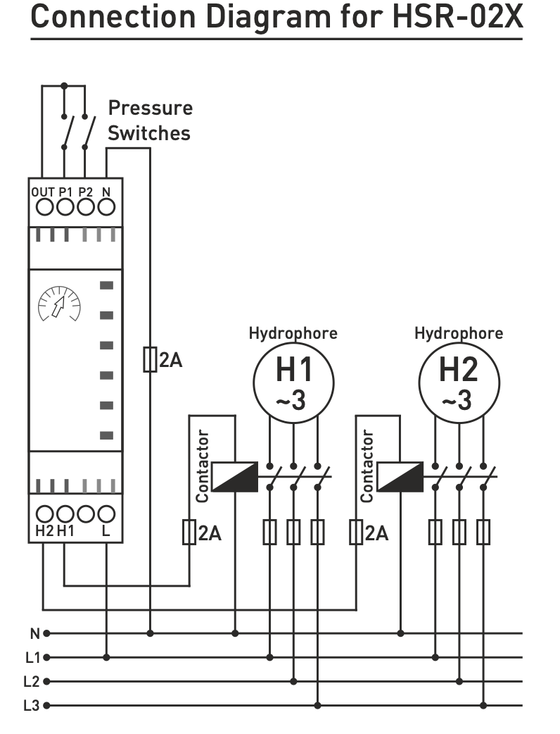
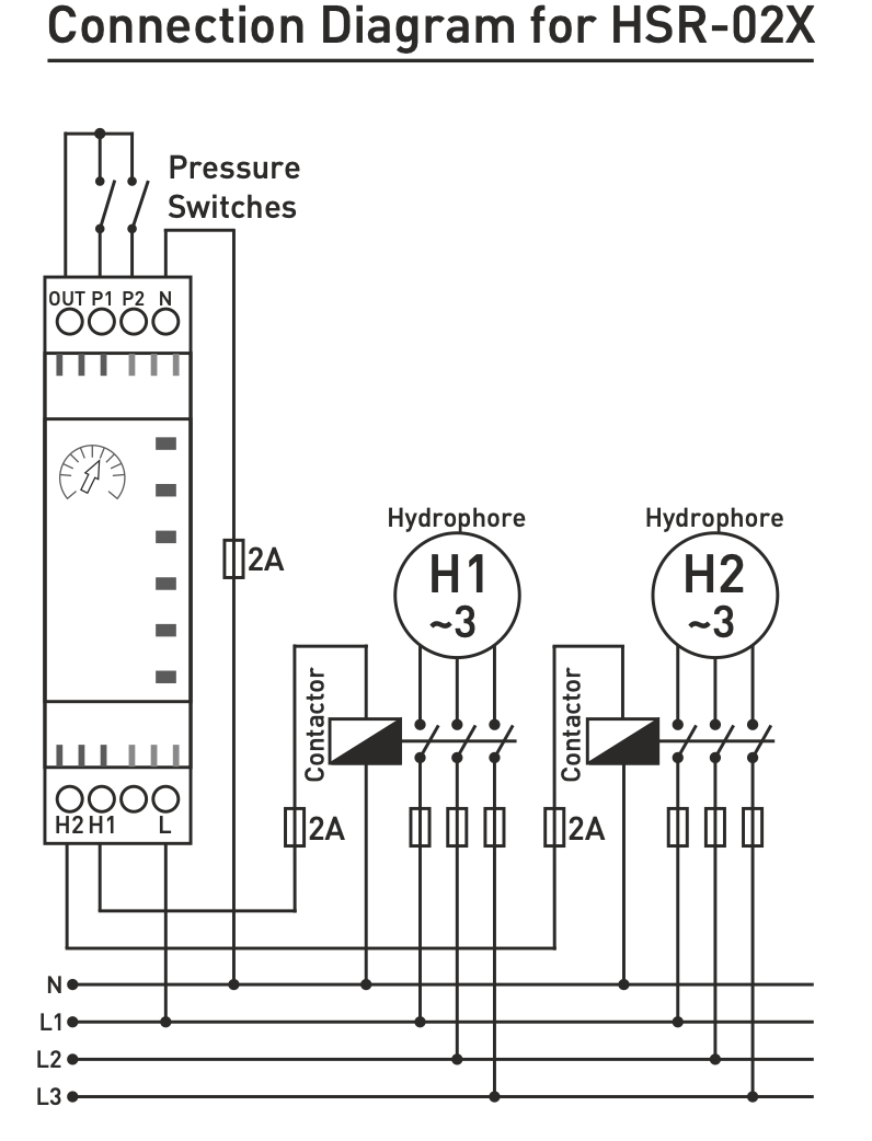
El relé secuencial hidróforo está diseñado para controlar el funcionamiento de dos bombas en función de la presión del sistema.
Proporciona:
-
Rotación uniforme de las bombas para prolongar la vida útil del equipo
-
Funcionamiento sincronizado de lasbombas cuando se necesitan varios grupos de presión
-
Control automático en función de la presión actual del sistema
Funciones principales
-
Control de dos bombas en un sistema hidrófobo
-
Alternancia de bombas para un desgaste uniforme
-
Temporizador para ajustar el retardo entre arranques de las bombas
-
Posibilidad de conectar impulsores adicionales para sistemas más grandes
-
Protección de las bombas contra sobrecarga y funcionamiento excesivo
Parámetros técnicos
(si tiene valores exactos, podemos añadirlos, por ejemplo, alimentación, potencia, rango de funcionamiento, montaje, etc.)
-
Número de bombas: 2
-
Tipo de montaje: carril DIN / panel
-
Funciones: alternancia, temporizador, control de presión
Aplicación
-
Sistemas de agua con hidrófonos y depósitos de presión
-
Aplicaciones domésticas e industriales
-
Garantía de funcionamiento uniforme y protección de las bombas
-
Control de aumento de presión en sistemas con varias bombas
Pago en línea con tarjeta - después de completar el pedido, será redirigido a la pasarela de pago, la confirmación del pago le llegará por correo electrónico
Contra reembolso - el pago según el reglamento de pago se realiza al conductor de la empresa de transporte
Transferencia - en su correo electrónico recibirá a más tardar el siguiente día hábil una factura proforma, en la que encontrará el número de cuenta que debe ingresar al realizar el pago.
Factura - esta opción de pago la tienen los socios que han firmado un contrato marco con nuestra empresa.
Si desea utilizar las últimas 2 opciones, llame a nuestro gerente y él le dará instrucciones sobre cómo recibir la factura con IVA o sin IVA.
Los dispositivos eléctricos que suministramos cumplen con altos estándares de calidad, tienen una garantía de 24 meses y cumplen con todos los requisitos de la UE.
En caso de reclamación, no se cobrará ninguna tarifa por la devolución del producto.
