Panel analizador de redes corriente, tensión, frecuencia, potencia, energía, RS485
Analizador de redes trifásico / Analizador de redes / Analizador de redes - medidor de panel digital multifunción, indicador de corriente, tensión, frecuencia y potencia total, con salida de relé, RS485 ModBus RTU - TPM-04SHDL fabricante TENSE (Turquía) medidores de panel.
Los analizadores de potencia están diseñados para medir y monitorizar valores eléctricos. Gracias a la función de comunicación, los valores de energía medidos se pueden supervisar y notificar de forma independiente. Los analizadores de potencia permiten realizar análisis como la calidad de la energía, la eficiencia y el cálculo del coste unitario.
Principales ventajas:
- RS485 Modbus RTU (1200-19200b/s)
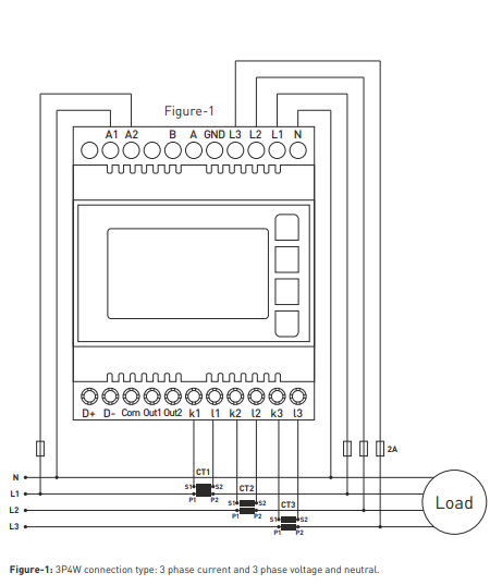
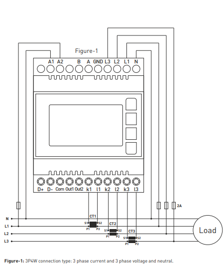
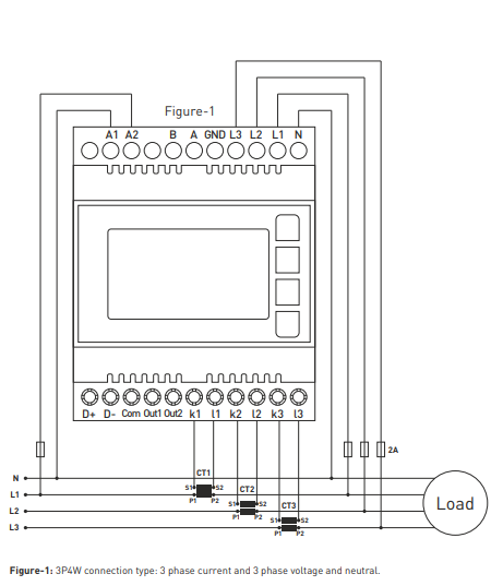
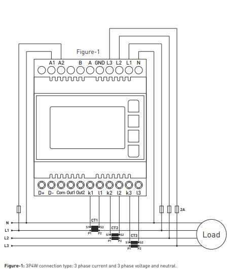
- Transformador de tensión trifásico y transformador de corriente trifásico.
-
Muestra los componentes armónicos de tensión y corriente hasta el 31º armónico.
-
Muestra la potencia activa por fase (P)
-
Muestra la potencia reactiva por fase (Q, inductiva y capacitiva)
-
Muestra la potencia aparente por fase (S)
-
Muestra los valores de Cosφ y factor de potencia de cada fase.
-
Muestra los valores de tensión (V) e intensidad (I) entre fases y neutro y mide la frecuencia.
-
Muestra los valores totales de importación y exportación de energía activa (ΣkWh).
-
Muestra los valores totales de energía reactiva inductiva y capacitiva (ΣkVArh).
-
Muestra los valores mínimo y máximo, demanda máxima
-
2 salidas de relé, 1 entrada digital
-
Registros de eventos (alta/baja tensión/corriente, asimetría tensión/corriente, THD-I)
-
El menú está protegido por contraseña.
Normalmente este analizador de redes se utiliza con transformadores de medida de corriente - 60/5 75/5 100/5 150/5 200/5 250/5 300/5 400/5 500/5 600/5 800/5 1000/5 1500/5 o similares. Si va a conectar el analizador al ModBus, le enviaremos una "Tabla de Registro" con las direcciones ModBus a petición.
Pago en línea con tarjeta - después de completar el pedido, será redirigido a la pasarela de pago, la confirmación del pago le llegará por correo electrónico
Contra reembolso - el pago según el reglamento de pago se realiza al conductor de la empresa de transporte
Transferencia - en su correo electrónico recibirá a más tardar el siguiente día hábil una factura proforma, en la que encontrará el número de cuenta que debe ingresar al realizar el pago.
Factura - esta opción de pago la tienen los socios que han firmado un contrato marco con nuestra empresa.
Si desea utilizar las últimas 2 opciones, llame a nuestro gerente y él le dará instrucciones sobre cómo recibir la factura con IVA o sin IVA.
Los dispositivos eléctricos que suministramos cumplen con altos estándares de calidad, tienen una garantía de 24 meses y cumplen con todos los requisitos de la UE.
En caso de reclamación, no se cobrará ninguna tarifa por la devolución del producto.
