DAV-72D amperímetro y voltímetro digital de montaje en panel para CA 100 amperios, 150V
Multímetro digital de panel 72x72 mm - TENSE (DAV-72D)
Descripción del producto:
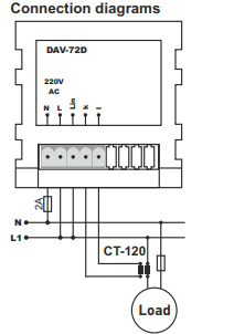
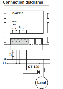
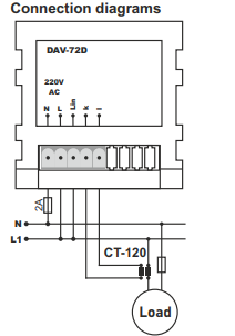
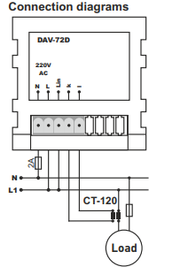
El DAV-72D es un voltímetro-amperímetro digital combinado monofásico, diseñado para la monitorización continua de la tensión alterna entre fase y conductor neutro y la corriente de carga consumida, medida por un transformador de corriente externo (CT-120, incluido). El instrumento es adecuado para cuadros eléctricos, plantas de fabricación y distribución de energía o sistemas de monitorización.
Principio de funcionamiento y aplicación:
-
Conexión al conductor de fase y neutro a medir a través de los bornes de medida de tensión.
-
Medición de la corriente mediante un transformador de corriente CT-120 externo, cuyos conductores secundarios se conectan a los bornes K y L de la parte posterior del instrumento.
-
Cuando se aplica corriente, se visualiza lo siguiente:
-
Tensión real de fase (V)
-
Corriente de carga (A)
-
Instalación y configuración:
-
Montaje en panel frontal (recorte 68 × 68 mm)
-
Cableado del CT-120 como se muestra en el diagrama, cable de carga dirigido a través del transformador
-
No utilice otros transformadores de corriente - el instrumento está calibrado específicamente para el CT-120
Especificaciones técnicas:
-
Tensión de funcionamiento: 140-270 VCA.
-
Frecuencia de red: 50/60 Hz
-
Rango de tensión mostrada: 5-300 V CA
-
Rango de corriente medida: 1-100 A (a través del CT-120)
-
Precisión:
-
Tensión: ±1
-
Corriente: ±3
-
-
Pantalla: 2 líneas, 3 dígitos, altura de caracteres 14 mm
-
Potencia del instrumento: <6 VA
-
Temperatura de funcionamiento: de -20 °C a +55 °C
-
Altitud: hasta 2000 m
-
Conexión: terminales enchufables, sección del cable hasta 1,5 mm².
-
Montaje: panel, frontal
-
Peso: hasta 220 g
Pago en línea con tarjeta - después de completar el pedido, será redirigido a la pasarela de pago, la confirmación del pago le llegará por correo electrónico
Contra reembolso - el pago según el reglamento de pago se realiza al conductor de la empresa de transporte
Transferencia - en su correo electrónico recibirá a más tardar el siguiente día hábil una factura proforma, en la que encontrará el número de cuenta que debe ingresar al realizar el pago.
Factura - esta opción de pago la tienen los socios que han firmado un contrato marco con nuestra empresa.
Si desea utilizar las últimas 2 opciones, llame a nuestro gerente y él le dará instrucciones sobre cómo recibir la factura con IVA o sin IVA.
Los dispositivos eléctricos que suministramos cumplen con altos estándares de calidad, tienen una garantía de 24 meses y cumplen con todos los requisitos de la UE.
En caso de reclamación, no se cobrará ninguna tarifa por la devolución del producto.
