Controlador de temperatura para montaje en panel ON-OFF/Proporcional , hasta 400ºC
Termostato / regulador de temperatura de 2 puntos TENSE
Descripción del producto:
El controlador de temperatura está diseñado para el control ON/OFF (encendido/apagado) o proporcional de procesos de temperatura. Adecuado para calefacción, aire acondicionado, sistemas de ventilación, automatización de edificios y plantas industriales.
Funciones y características:
-
Modo de control ON/OFF (dos puntos) o proporcional.
-
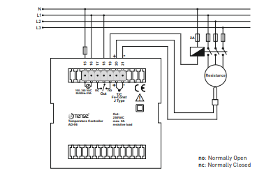
Tipo de sonda: T/C (tipo J, Fe-Const)
-
Salidas de relé: OUT (NO + NC), 250VAC, 2A
-
Histéresis ajustable
-
Memoria EEPROM para almacenar ajustes
-
Pantalla clara con ajuste de la temperatura deseada
Rango de medición y precisión
-
Rango de medición: 0 °C ... +400 °C
-
Resolución/paso: 1 °C
Accesorios recomendados:
-
Sensores de temperatura Fe-Const tipo J (6/8 metros), rango -100 °C ... +600 °C
-
Disponible con cable: 1 m, 1,5 m, 2 m, 2,5 m, 3 m, 4 m o 5 m
Aplicación:
-
Control de temperatura de calefacción, aire acondicionado y ventilación
-
Líneas y máquinas industriales en las que se requiere un control preciso de la temperatura
-
Monitorización y protección de equipos
Ventajas:
-
Producto TENSE turco fiable
-
Fácil conexión y configuración
-
Memoria para conservar los ajustes incluso después de un corte de corriente
Pago en línea con tarjeta - después de completar el pedido, será redirigido a la pasarela de pago, la confirmación del pago le llegará por correo electrónico
Contra reembolso - el pago según el reglamento de pago se realiza al conductor de la empresa de transporte
Transferencia - en su correo electrónico recibirá a más tardar el siguiente día hábil una factura proforma, en la que encontrará el número de cuenta que debe ingresar al realizar el pago.
Factura - esta opción de pago la tienen los socios que han firmado un contrato marco con nuestra empresa.
Si desea utilizar las últimas 2 opciones, llame a nuestro gerente y él le dará instrucciones sobre cómo recibir la factura con IVA o sin IVA.
Los dispositivos eléctricos que suministramos cumplen con altos estándares de calidad, tienen una garantía de 24 meses y cumplen con todos los requisitos de la UE.
En caso de reclamación, no se cobrará ninguna tarifa por la devolución del producto.
